Products & Applications
PRODUCTSSensor and accessories
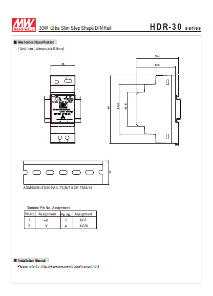
Location Position:Home > Products & ApplicationsPower module DK2000-HDR-30-24
Products & Applications
PRODUCTSSensor and accessories
Location Position:Home > Products & Applications
Copyright Shanghai CNCOMATE Electronics Co., Ltd 2015 All Rights Reserved